BuildYourCNC
NEMA 34 Stepper Motor (1100 oz-in 14mm single shaft) 6 Amps
NEMA 34 Stepper Motor (1100 oz-in 14mm single shaft) 6 Amps
Couldn't load pickup availability
Affiliate Links
Description: Nema 34 Stepper Motor 6A 8.5Nm (1200 oz-in)
Price: $58.00 USD
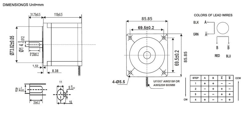
See ProductThis stepping motor has a large frame size and torque and can be used where a great amount of weight is carried and where high load against the motor turning direction is present. A single shaft motor with a diameter of 14mm or .55 inches. There is a keyway on the shaft. The motor rated torque is 1100 oz-in or 8.2 Nm (Newton Meters). This is a very strong motor which will provide enough torque for heavy gantries and high acceleration. Please ask questions here to get any specific information or solutions on wiring and making it work. Wiring: Schema 1: Black to A+, Green to A-, Red to B+ and Blue to B- Schema 2: Red-A+, Green-A-, Yellow-B+, Blue-B- Steps: Standard 200 steps per rotation and can be microsteped using drivers that feature microstepping. The degree per step is 1.8. Size: NEMA 34, or 3.4 x 3.4 inches outer frame (face) dimension or 86mm x 86mm. The length of the motor is 114mm.
Share

Questions & Answers
Have a Question?
-
What size power supply do I need to this?
I would recommend either a 36VDC or a 48VDC power supply with 10 amps. Here are links to these power supplied on this website: https://buildyourcnc.com/item/electronicsAndMotors-power-supply-24v-36v-48v